返回索引

XL6H和XL6HR

  • 改进型的液压钳可以实现弹簧单动回位或液压双向回位,含有液压管接头。
  • 钳身上的液压接口为1/8英寸NPT内螺纹
  • 另外还含有两件连接件,1/8 NPT外螺纹对#4 JIC外螺纹

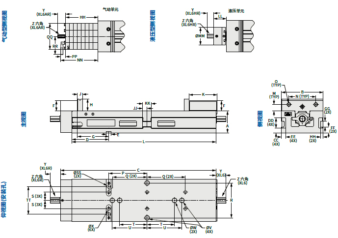
150mm XL型大张开度平口钳

型号: XL6 | XL6R | XL6H | XL6HR | XL6A | XL6AR

XL型大张开度平口钳是为夹持大尺寸工件而设计的。张开度可达730.25mm。 即使在大功率切削时,也可以保证工件的夹紧精度。该钳每个面的精度都在 0.0254mm以内,以便于用户多钳并排使用。

功能和特点:

  • 夹紧力可以高达53.38kN。
  • 角固式设计减少钳口上浮。
  • 钳身为550MPa高强度球铁。
  • 钳身宽度为152.4mm和203.2mm,张开度为533.4mm,钳口外置时可达728.35mm。
  • 拉紧式设计具有精度高和重复度高的特点。
  • 可用于大功率切削场合。
  • 反向型可以在装夹工件时更安全、迅速、简捷,并可方便地在Y轴正向编程。
  • 有手动、液压、气动三种钳型。
  • 液压、气动型的冲程为6.35mm。
  • 气动型钳在夹紧精密零件时,精度高、重复性好。并且接触柔和。
  • 有内六角丝杠供选择。

返回索引     上一页 第54页 下一页