 |
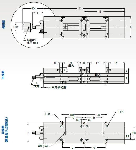
| 参数表 mm(in) |
|
DL800 |
DLH800 |
| A |
95.25 |
95.25 |
| B |
204.72 |
204.72 |
| C |
762.00 |
762.00 |
| D |
101.60 |
101.60 |
| E |
381.00 |
381.00 |
| F |
107.95 |
N/A |
| G |
(3/4) |
(7/16-INT) |
| H |
4.83 |
4.83 |
| J |
49.91 |
49.91 |
| K |
152.40 |
152.40 |
| L |
55.88 |
55.88 |
| M |
27.31 |
27.31 |
| N |
30.99 |
30.99 |
| O |
120.65 |
120.65 |
| P |
(5/8-11) |
(5/8-11) |
| Q |
19.05 |
19.05 |
| R |
60.33 |
60.33 |
| S |
(1/2-13) |
(1/2-13) |
| S1 |
(5/8-11) |
(5/8-11) |
| T |
184.15 |
184.15 |
| U |
177.80 |
177.80 |
| V |
203.20 |
203.20 |
| W |
(0.750) |
(0.750) |
| AA |
63.50 |
63.50 |
| BB |
127.00 |
127.00 |
| CC |
25.40 |
25.40 |
| DD |
215.90 |
215.90 |
| EE |
(1/2) |
(1/2) |
| FF |
152.40 |
152.40 |
| GG |
226.70 |
226.70 |
| HH |
332.11 |
332.11 |
| JJ |
406.40 |
406.40 |
| KK |
- |
164.85 |
| 重量kg |
114 |
164 |
| 液压排量CC |
- |
39 |
|